Photovoltaic DC combiner box
Product description
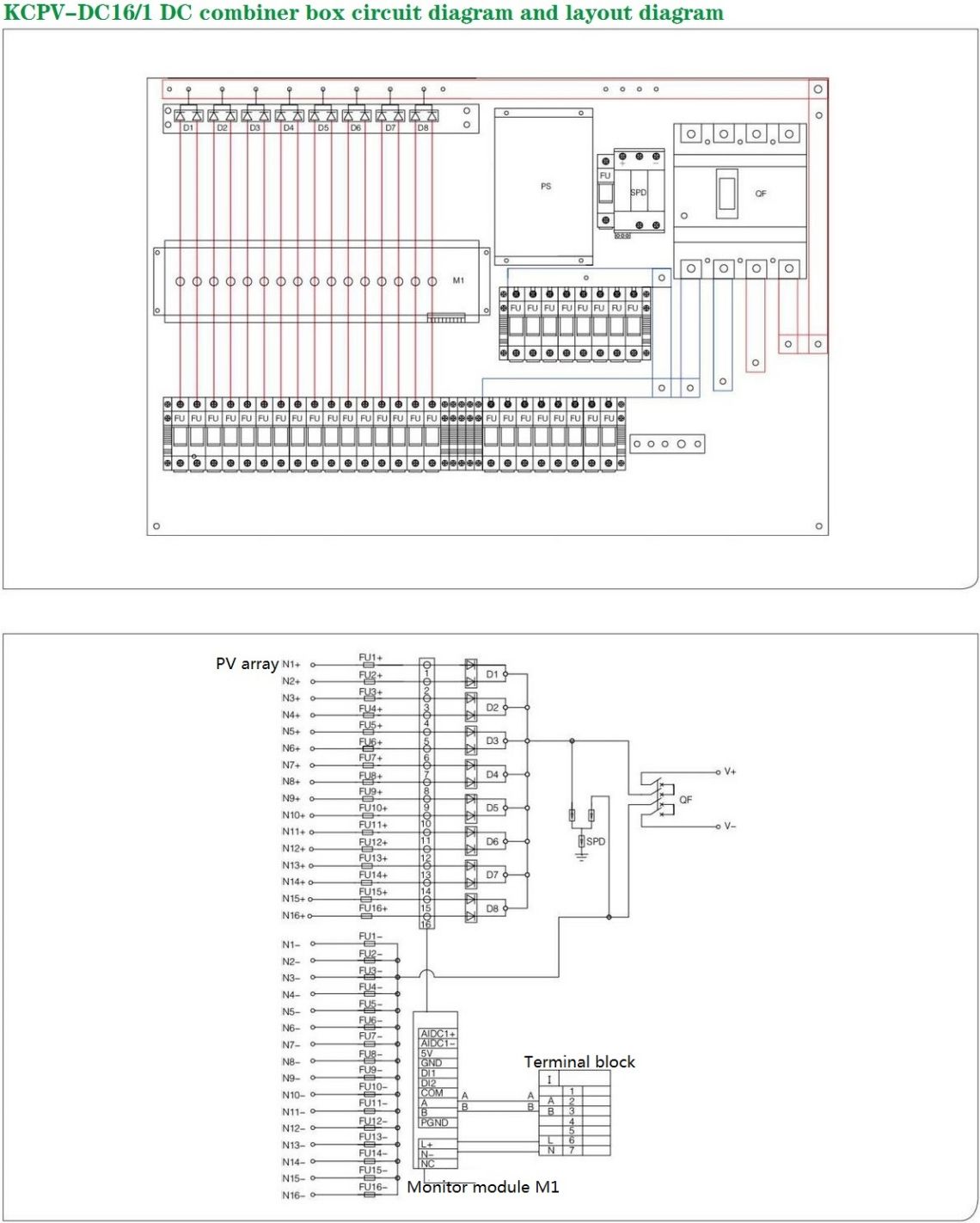
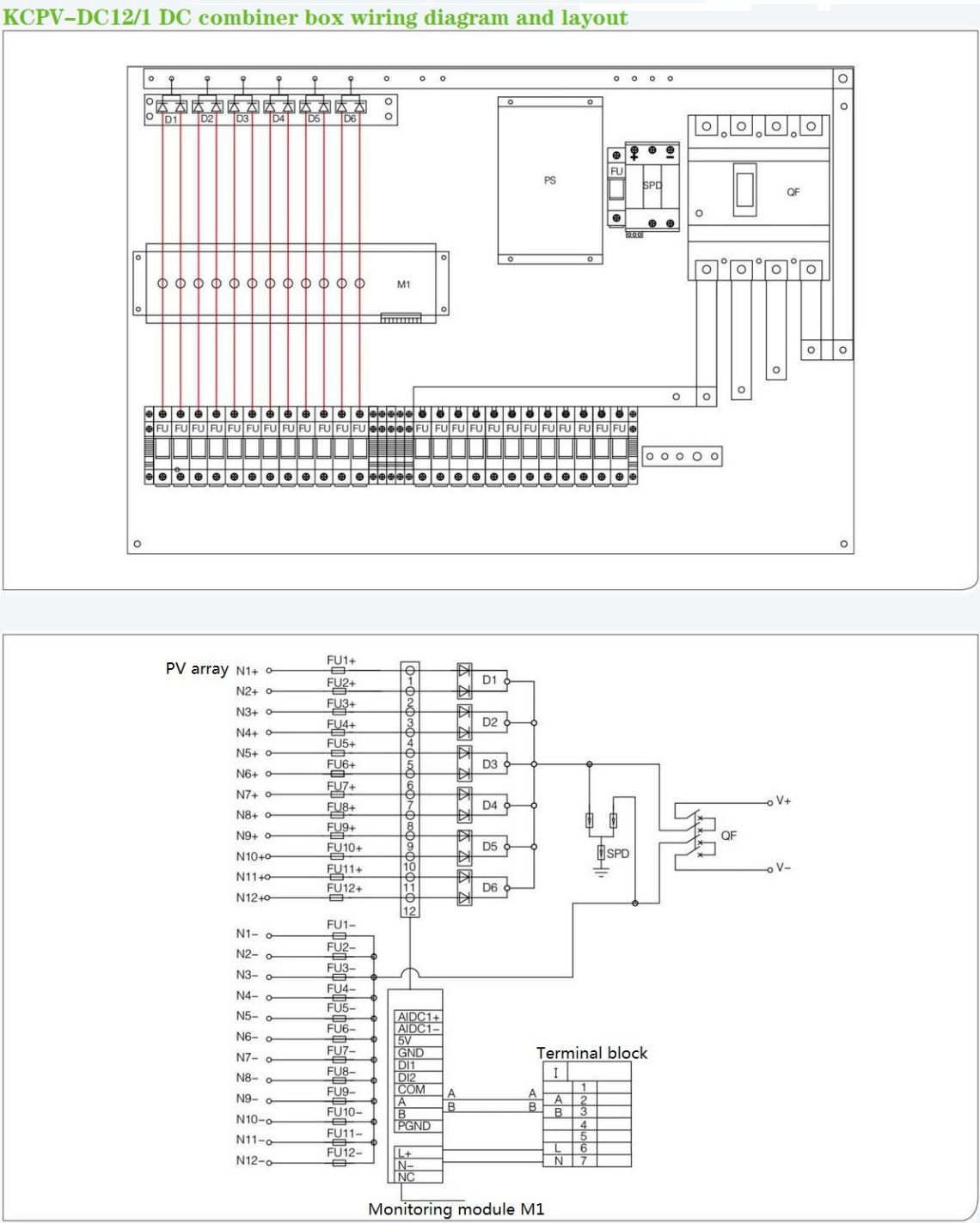
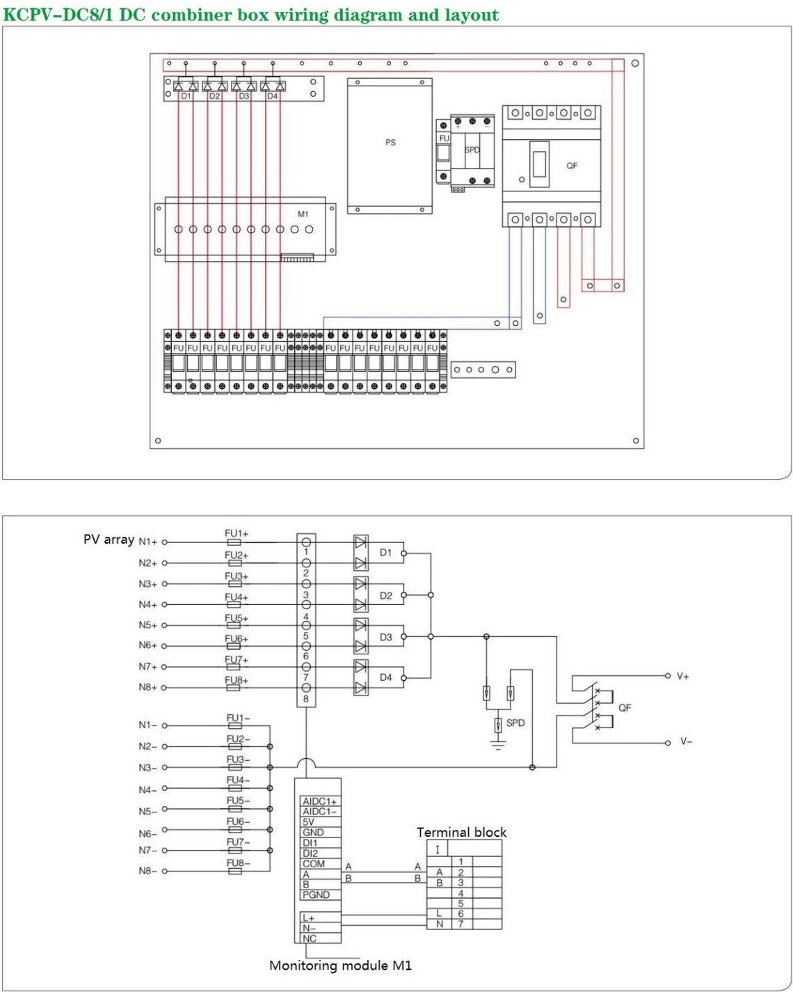
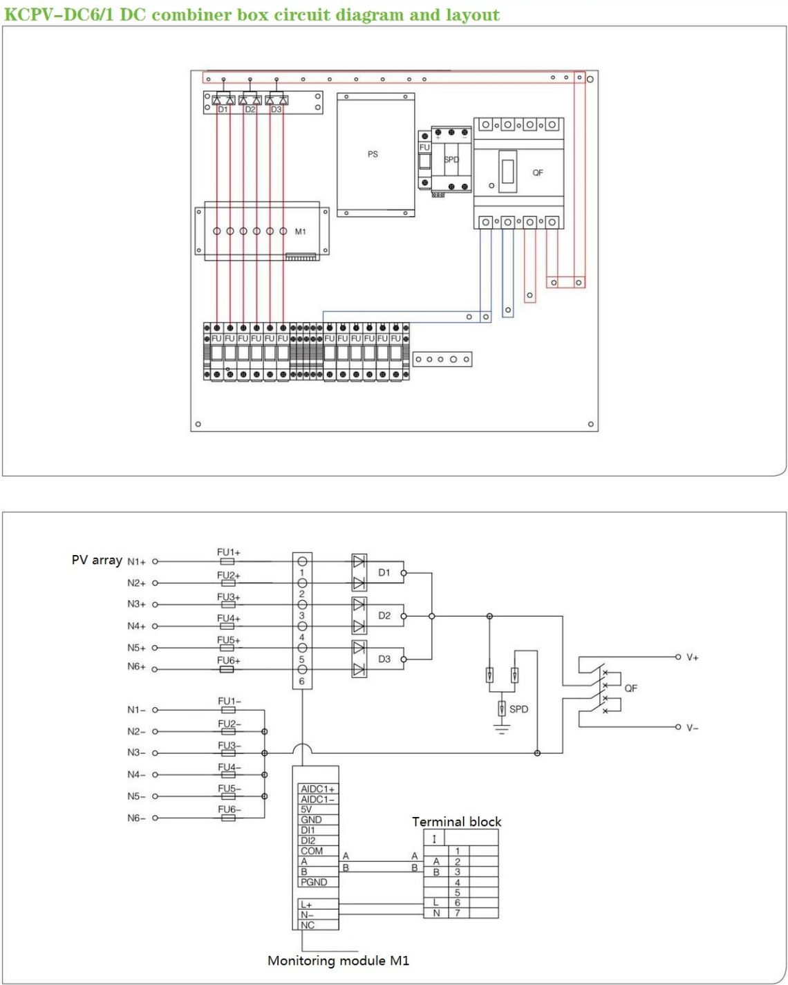
The solar photovoltaic DC combiner box is a device that gathers the DC power generated by photovoltaic panels and transmits it to the centralized inverter for conversion. Its main role is to carry out current distribution and protect the connection between photovoltaic panels.
Solar photovoltaic DC combiner box generally includes the following main parts:
DC input terminal: used to connect the DC power generated by the photovoltaic panel. Depending on the number and power of photovoltaic panels, there may be multiple DC input terminals.
DC output terminal: used to transmit the DC power in the combiner box to the centralized inverter for conversion. Generally, there will be one or more DC output terminals.
Circuit breaker or fuse: used for overcurrent protection to prevent photovoltaic panels from generating excessive current and damaging equipment.
Insulation monitor: It is used to monitor the insulation condition between photovoltaic panels, once an insulation fault is found, an alarm signal will be issued.
Grounding protection: Set the grounding wire in the combiner box to protect the equipment from lightning and overvoltage.
Temperature control: According to the temperature inside the combiner box, temperature control and protection are carried out to prevent the equipment from overheating.
The selection and design of solar photovoltaic DC combiner boxes need to consider the power, quantity, current and voltage requirements of photovoltaic panels, as well as environmental conditions, safety regulations and other factors. Proper selection and use of solar photovoltaic DC combiner boxes can improve the efficiency and reliability of photovoltaic power generation systems.
Product features
Centralized connection: The solar photovoltaic DC combiner box can concentrate the DC output of multiple photovoltaic panels together. This simplifies the installation process and reduces cable usage.
Over-current protection: Solar photovoltaic DC combiner boxes usually have an over-current protection function, which can monitor and prevent current overload conditions. When the current exceeds the set range, the combiner box will automatically cut off the power to protect the circuit and equipment safety.
Anti-arc: The solar photovoltaic DC combiner box also has the function of preventing arc faults. It adopts special design to prevent fire or circuit failure caused by electric arc, and improve the safety of the whole system.
Monitoring and control: Some solar photovoltaic DC combiner boxes are also equipped with visual monitoring and control systems. These systems can provide real-time monitoring of key parameters such as current, voltage and power, and can be operated and managed remotely through remote control software.
Durable and Reliable: Solar photovoltaic DC combiner boxes are usually made of durable materials, can be used in harsh outdoor environments, and are waterproof and dustproof. Its design also meets the requirements of long-term stable operation to ensure the reliability and durability of the system.
Safety standard compliance: Solar photovoltaic DC combiner boxes usually comply with international safety standards and specifications, such as IEC 61439-1 and IEC 60529, etc. These standards ensure that solar PV DC combiner boxes are designed, manufactured and installed to meet safety and performance requirements.
Product parameters
Product Details
Workshop
Certificate
Product application cases
Transportation and packaging
FAQ
Q:What is the name of your company?
A:Minyang new energy(Zhejiang) co.,ltd
Q:Where is your company?
A:Our company is located in Wenzhou, Zhejiang, China, the capital of electrical appliances.
Q:Are you a directly factory or trading company?
A:We are manufacturer.
Q: How does your factory do regarding quality control?
A: Quality is the priority. We always attach great importance to quality
controlling from the start to the end. All our products have gained CE, FCC, ROHS certification.
Q:What can you do?
A:1.AII of our products have proceeded aging test before shipment and we guarantee safety while using our products.
2. OEM/ODM orders are warmly welcomed!
Q:Warranty and return:
A:1. Products have been tested by 48hours continuous load aging before ship out.wanrranty is 2 years
2. We own the best after-sale service team, if any problem happens, our team will do our best to solve it for you.
Q:Is sample available and free?
A:Sample is available, but the sample cost should be pay by you. The cost of sample will be refund after further order.
Q:Do you accept customized order?
A:Yes, we do.
Q:What's the delivery time?
A:It usually takes 7-20 days after confirming payment, but specific time should be based on tne order quantity.
Q:What are the payment terms of your company?
A:Our company supports L/C or T/T payments.





















